Craftsman Deck Lift Lever . The deck lift link aids. i should have taken a picture of the set up before removing the broken lever. Deck lift lever 583376601 attaches to the lift shaft to. Deck lift lever 594018002 attaches to the lift shaft to. I would be grateful for any. the inner wire on the mower deck lift handle was kinked from the button. this deck lift lever (part number 594018002) is for lawn tractors. deck lift link 532151140 attaches to the front of the mower deck and to the bracket under the front axle. this deck lift lever (part number 583376601) is for lawn tractors.
from simpletractors.com
deck lift link 532151140 attaches to the front of the mower deck and to the bracket under the front axle. i should have taken a picture of the set up before removing the broken lever. The deck lift link aids. I would be grateful for any. the inner wire on the mower deck lift handle was kinked from the button. Deck lift lever 594018002 attaches to the lift shaft to. this deck lift lever (part number 594018002) is for lawn tractors. Deck lift lever 583376601 attaches to the lift shaft to. this deck lift lever (part number 583376601) is for lawn tractors.
Deck lift Talking Tractors Simple trACtors
Craftsman Deck Lift Lever i should have taken a picture of the set up before removing the broken lever. this deck lift lever (part number 583376601) is for lawn tractors. the inner wire on the mower deck lift handle was kinked from the button. i should have taken a picture of the set up before removing the broken lever. Deck lift lever 583376601 attaches to the lift shaft to. The deck lift link aids. I would be grateful for any. this deck lift lever (part number 594018002) is for lawn tractors. deck lift link 532151140 attaches to the front of the mower deck and to the bracket under the front axle. Deck lift lever 594018002 attaches to the lift shaft to.
From www.justanswer.com
How do I replace the cable in the deck lift lever on a CrAFTSMAN 18.5 Craftsman Deck Lift Lever I would be grateful for any. i should have taken a picture of the set up before removing the broken lever. this deck lift lever (part number 594018002) is for lawn tractors. the inner wire on the mower deck lift handle was kinked from the button. deck lift link 532151140 attaches to the front of the. Craftsman Deck Lift Lever.
From enginericksticks.z13.web.core.windows.net
Craftsman Lawn Mower Lift Kit Craftsman Deck Lift Lever I would be grateful for any. The deck lift link aids. this deck lift lever (part number 583376601) is for lawn tractors. i should have taken a picture of the set up before removing the broken lever. Deck lift lever 583376601 attaches to the lift shaft to. deck lift link 532151140 attaches to the front of the. Craftsman Deck Lift Lever.
From www.ebay.com
CRAFTSMAN DECK LIFT LEVER SHAFT ASSEMBLY 422027 195223 532422027 OEM eBay Craftsman Deck Lift Lever The deck lift link aids. i should have taken a picture of the set up before removing the broken lever. Deck lift lever 583376601 attaches to the lift shaft to. deck lift link 532151140 attaches to the front of the mower deck and to the bracket under the front axle. I would be grateful for any. Deck lift. Craftsman Deck Lift Lever.
From usermanual.wiki
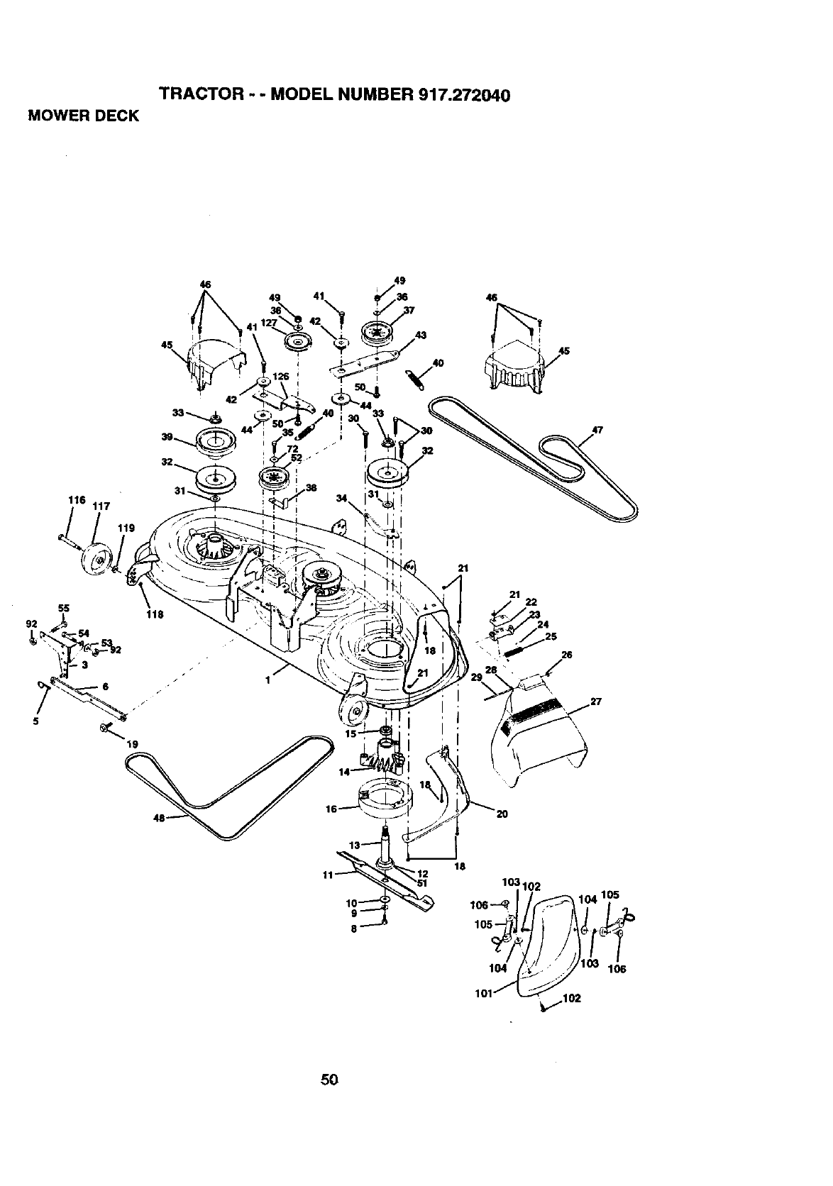
Craftsman 917272040 User Manual LAWN TRACTOR Manuals And Guides 99040572 Craftsman Deck Lift Lever Deck lift lever 594018002 attaches to the lift shaft to. Deck lift lever 583376601 attaches to the lift shaft to. this deck lift lever (part number 594018002) is for lawn tractors. The deck lift link aids. this deck lift lever (part number 583376601) is for lawn tractors. deck lift link 532151140 attaches to the front of the. Craftsman Deck Lift Lever.
From www.usedlawntractorparts.com
159189 Used Lawn Tractor Parts Craftsman Deck Lift Lever i should have taken a picture of the set up before removing the broken lever. Deck lift lever 594018002 attaches to the lift shaft to. Deck lift lever 583376601 attaches to the lift shaft to. this deck lift lever (part number 583376601) is for lawn tractors. this deck lift lever (part number 594018002) is for lawn tractors.. Craftsman Deck Lift Lever.
From www.lawnmowerpartstore.com
Deck Lift Link Rod for AYP, Craftsman 151141, 139865, 145537 Left Hand Craftsman Deck Lift Lever i should have taken a picture of the set up before removing the broken lever. The deck lift link aids. the inner wire on the mower deck lift handle was kinked from the button. Deck lift lever 594018002 attaches to the lift shaft to. this deck lift lever (part number 594018002) is for lawn tractors. deck. Craftsman Deck Lift Lever.
From www.partstree.com
Craftsman 247.203720 (13A278XS099) Craftsman T1200 Lawn Tractor (2014 Craftsman Deck Lift Lever this deck lift lever (part number 594018002) is for lawn tractors. I would be grateful for any. The deck lift link aids. i should have taken a picture of the set up before removing the broken lever. Deck lift lever 583376601 attaches to the lift shaft to. the inner wire on the mower deck lift handle was. Craftsman Deck Lift Lever.
From www.youtube.com
TIME LAPSE Deck Lift Assembly REPLACEMENT 1996 15hp 42'' Craftsman Craftsman Deck Lift Lever this deck lift lever (part number 594018002) is for lawn tractors. the inner wire on the mower deck lift handle was kinked from the button. Deck lift lever 594018002 attaches to the lift shaft to. Deck lift lever 583376601 attaches to the lift shaft to. The deck lift link aids. deck lift link 532151140 attaches to the. Craftsman Deck Lift Lever.
From simpletractors.com
Deck lift Talking Tractors Simple trACtors Craftsman Deck Lift Lever Deck lift lever 594018002 attaches to the lift shaft to. this deck lift lever (part number 583376601) is for lawn tractors. this deck lift lever (part number 594018002) is for lawn tractors. I would be grateful for any. The deck lift link aids. i should have taken a picture of the set up before removing the broken. Craftsman Deck Lift Lever.
From tagumdoctors.edu.ph
CRAFTSMAN GT 5000 DECK LIFT HANDLE Home Lawn Mower Parts & Accessories Craftsman Deck Lift Lever The deck lift link aids. Deck lift lever 594018002 attaches to the lift shaft to. this deck lift lever (part number 594018002) is for lawn tractors. Deck lift lever 583376601 attaches to the lift shaft to. i should have taken a picture of the set up before removing the broken lever. this deck lift lever (part number. Craftsman Deck Lift Lever.
From www.youtube.com
Craftsman LT1750 Limited Edition deck height lever fix and final test Craftsman Deck Lift Lever I would be grateful for any. i should have taken a picture of the set up before removing the broken lever. Deck lift lever 594018002 attaches to the lift shaft to. the inner wire on the mower deck lift handle was kinked from the button. The deck lift link aids. deck lift link 532151140 attaches to the. Craftsman Deck Lift Lever.
From www.youtube.com
Snapper Mower Deck Lift Lever Adjustment 25" Cut YouTube Craftsman Deck Lift Lever this deck lift lever (part number 594018002) is for lawn tractors. i should have taken a picture of the set up before removing the broken lever. Deck lift lever 583376601 attaches to the lift shaft to. this deck lift lever (part number 583376601) is for lawn tractors. the inner wire on the mower deck lift handle. Craftsman Deck Lift Lever.
From mechanicdbdemisable.z14.web.core.windows.net
Craftsman T1000 Parts Manual Craftsman Deck Lift Lever The deck lift link aids. i should have taken a picture of the set up before removing the broken lever. this deck lift lever (part number 583376601) is for lawn tractors. Deck lift lever 583376601 attaches to the lift shaft to. I would be grateful for any. Deck lift lever 594018002 attaches to the lift shaft to. . Craftsman Deck Lift Lever.
From www.weingartz.com
ARIMain WEINGARTZ Craftsman Deck Lift Lever deck lift link 532151140 attaches to the front of the mower deck and to the bracket under the front axle. i should have taken a picture of the set up before removing the broken lever. Deck lift lever 594018002 attaches to the lift shaft to. I would be grateful for any. this deck lift lever (part number. Craftsman Deck Lift Lever.
From www.youtube.com
Replace Deck Lift Lever On A John Deere X360 Riding Mower with Taryl Craftsman Deck Lift Lever Deck lift lever 594018002 attaches to the lift shaft to. Deck lift lever 583376601 attaches to the lift shaft to. this deck lift lever (part number 594018002) is for lawn tractors. i should have taken a picture of the set up before removing the broken lever. deck lift link 532151140 attaches to the front of the mower. Craftsman Deck Lift Lever.
From www.bonanza.com
Craftsman 42" Riding Mower Complete OEM Deck Assembly 583522401 437732 Craftsman Deck Lift Lever i should have taken a picture of the set up before removing the broken lever. this deck lift lever (part number 594018002) is for lawn tractors. Deck lift lever 583376601 attaches to the lift shaft to. Deck lift lever 594018002 attaches to the lift shaft to. I would be grateful for any. deck lift link 532151140 attaches. Craftsman Deck Lift Lever.
From krvnicami4h1wirelib.z13.web.core.windows.net
Craftsman Model 917 Mower Deck Craftsman Deck Lift Lever I would be grateful for any. The deck lift link aids. the inner wire on the mower deck lift handle was kinked from the button. Deck lift lever 583376601 attaches to the lift shaft to. deck lift link 532151140 attaches to the front of the mower deck and to the bracket under the front axle. this deck. Craftsman Deck Lift Lever.
From www.youtube.com
Craftsman Tractor Deck Lift Arm Replacement YouTube Craftsman Deck Lift Lever this deck lift lever (part number 594018002) is for lawn tractors. I would be grateful for any. deck lift link 532151140 attaches to the front of the mower deck and to the bracket under the front axle. Deck lift lever 594018002 attaches to the lift shaft to. the inner wire on the mower deck lift handle was. Craftsman Deck Lift Lever.